【明日科學】
絲綢,這種迷人且強韌的布料,歷史可以追溯到五千年前,是古中國的特產之一。但科學家最近卻發現了一個新方法,能令這傳統材料變得更加強韌,甚至能夠導電,震驚物料科學界。研究中,研究員為桑蠶喂食了石墨烯及奈米碳管,成功讓蠶蟲吐出極其強韌的「超級蠶絲」。這種經加強的蠶絲,可用於製造耐用防護布料、可降解的醫療植入物以及可穿戴的電子設備。
簡單且環保
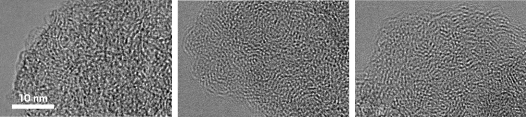
過去,科學家曾試驗在蠶絲中加入染料、抗菌劑、導電高分子及納米粒,嘗試以添加劑改善製成品。但由於過程繁複,需要在處理蠶絲後,以化學溶劑溶解納米材料,然後再次浸泡絲線,所以並未被廣泛使用。但清華大學的張瑩瑩及她的研究隊伍,則研究在桑蠶進食的桑葉上,按重量噴灑 0.2% 的奈米碳管或石墨烯溶液,餵食桑蠶,最後像生產正常蠶絲一樣蒐集蠶繭。她發現,直接向蠶蟲餵食奈米碳管和石墨烯,比以添加劑處理絲線更簡單、更環保,而且效果極高。經碳增強的蠶絲比普通蠶絲強韌兩倍,可以承受比普通蠶絲高 50% 的壓力,更可導電。拉曼光譜和電子顯微鏡成像顯示,納米材料令蠶絲纖維的晶體結構變得更有秩序。

▲加入納米碳管(中)及石墨烯(右)的蠶絲比普通蠶絲(左)的晶體結構更有秩序(圖:Nano Lett.)
超級蠶絲的未來
科學家目前仍有很多疑問,例如桑蠶究竟如何在蠶絲中加入納米材料,以及究竟有多少納米材料被桑蠶用作製絲,而不是被排出體外或是經代謝消失。張瑩瑩說,這些問題也許需由生物學家解答。東華大學的高分子化學家沈青於 2014 年曾發表相似的研究,用 30 納米寬的多壁奈米碳管,同樣增加蠶絲纖維的強度和韌性。但張瑩瑩說本次研究所用的 1 至 2 納米寬的單壁納米管「更適合加入蠶絲蛋白的晶體結構」。同樣曾研究超級蠶絲的東華大學物料科學家張耀鵬表示:「這項研究為我們提供了一個新方法,簡單地量產高強度蠶絲纖維,而超級蠶絲的導電性或許能用於智能紡織品中,製造傳感器讀取神經訊號。」《明日科學 王瑾瑜》
如欲閱讀更多最新科學、科技新聞,請瀏覽明日科學網站:www.tomorrowsci.com